Емкостные датчики дифференциального давления являются важнейшими устройствами в современных промышленных приборах и системах автоматизации технологических процессов . Они используют передовую технологию емкостного измерения для измерения дифференциального, избыточного и абсолютного давления с высокой точностью и долговременной стабильностью. В отличие от традиционных механических датчиков давления, эти датчики не имеют подвижных механических передающих механизмов , что делает их компактными, прочными и высокоустойчивыми к вибрации. Независимые регулировки нуля и диапазона обеспечивают точность без взаимного влияния, что способствует их широкому применению в различных отраслях промышленности.

Во многих городах Китая были внедрены производственные линии американской компании Rosemount , выпускающей различные модели для измерения дифференциального , избыточного и абсолютного давления . Некоторые приборы также оснащены функцией извлечения квадратного корня для измерения расхода , а также версии, предназначенные для измерения высокого статического и микроперепадов давления .
Емкостный датчик дифференциального давления обычно состоит из двух основных блоков: измерительной секции и секции преобразования/усиления , как показано на рисунке 1 .

Рисунок 1: Принципиальная схема емкостного датчика дифференциального давления
1—Генератор 2—Емкостный датчик 3—Демодулятор 4—Регулировка диапазона 5—Ограничитель тока
6—Усилитель мощности 7—Операционный усилитель 8—Регулировка нуля и миграция нуля
9—Усилитель управления колебаниями 10—Источник опорного напряжения 11—Регулятор напряжения 12—Защита от переполюсовки
Емкостный датчик преобразует измеренную разность давлений (ΔP) в изменение емкости. Высокочастотный генератор возбуждает дифференциальные конденсаторы C H и C L с высоким и низким потенциалом. Результирующие изменения тока демодулируются для получения дифференциальных сигналов ( i L − i H ) и синфазных сигналов ( i L + i H ).
Дифференциальный сигнал сравнивается с сигналом обратной связи ( I f ), затем усиливается и преобразуется в выходной постоянный ток 4–20 мА . Этот выходной ток протекает через сопротивление нагрузки и цепь обратной связи, поддерживая линейную зависимость между дифференциальным сигналом и выходным током.
Емкостный датчик состоит из неподвижной электродной пластины и подвижной измерительной диафрагмы, образующих два конденсатора ( C H и C L ), подключенных к камерам высокого и низкого давления. При приложении перепада давления диафрагма отклоняется, изменяя емкости. Высокочастотный генератор (обычно 32 кГц) преобразует эти изменения емкости в колебания тока, которые усиливаются и выпрямляются для генерации постоянного сигнала 4–20 мА, пропорционального приложенному перепаду давления ΔP.
При использовании преобразователя для измерения расхода , например, с помощью диафрагм, трубок Вентури или сопел , сигнал пропускается через экстрактор квадратного корня для получения линейной зависимости от расхода. Устройство работает от двухпроводной системы 24 В постоянного тока , поддерживая напряжение питания от 12 до 45 В постоянного тока и сопротивление нагрузки до 600 Ом .
Двухкамерный емкостный датчик дифференциального давления показан на рисунке 2 .

Рисунок 2: Двухкамерная структура емкостного датчика дифференциального давления
1, 4 — Волнообразная изоляционная диафрагма; 2, 3 — Основание из нержавеющей стали; 5 — Стеклянный слой; 6 — Металлическая пленка; 7 — Измерительная диафрагма
В этой конструкции металлические плёнки (6) выполняют функцию неподвижных электродов, а измерительная диафрагма (7) – подвижного электрода. Обе стороны диафрагмы образуют две отдельные камеры, заполненные силиконовым маслом . Несжимаемая жидкость передаёт дифференциальное давление Δp = p_H − p_L к поверхностям диафрагмы.
При Δp = 0 ёмкости на обеих сторонах ( C H и C L ) равны. При Δp ≠ 0 диафрагма прогибается в сторону низкого давления, и C L > C H .
Использование дифференциальной емкости снижает ошибки, вызванные температурными изменениями диэлектрической проницаемости, тем самым повышая чувствительность, точность и линейность — важные факторы в управлении промышленными процессами и измерении давления .
Когда Δp ≠ 0, изменение емкости показано на рисунке 3 .

Рисунок 3: Изменение емкости с обеих сторон при наличии перепада давления
Уравнения: 

Для диафрагмы с начальным натяжением прогиб пропорционален перепаду давления: 
Здесь K₁ — структурная константа , зависящая от кривизны диафрагмы, расстояния между электродами и механического натяжения. Это соотношение гарантирует прямую пропорциональность выходного тока приложенному дифференциальному давлению , что обеспечивает превосходную точность измерений.
Емкостный датчик давления преобразует дифференциальное давление в пропорциональное изменение емкости. Для измерения этой емкости требуется высокочастотное возбуждение переменного тока , обычно около 32 кГц .

Рисунок 4: Схема генератора Рисунок 5: Источник питания генератора
Схема генератора (рисунок 4)
Схема состоит из обмоток (выводы 6, 8 и 5, 7) и конденсатора C₂₀, образующих резонансный контур, подключенный к транзистору VT₁. Резистор смещения R₂₉ определяет статическую рабочую точку. Частота определяется индуктивностью L и емкостью C.
Источник питания генератора (рисунок 5)
Поскольку измерение ёмкости основано на переменном напряжении, напряжение генератора должно оставаться стабильным . Контур управления с отрицательной обратной связью автоматически стабилизирует напряжение, обеспечивая достаточную начальную амплитуду.

Как показано на рисунке 6 , емкостная схема генерации тока и сеть формирования напряжения поддерживают постоянное возбуждение.

Рисунок 6: Цепь генерации емкостного тока и цепь формирования напряжения U₂
Когда Δp ≠ 0, C_H уменьшается, а C_L увеличивается, и общий ток через оба выражается как:

Автоматическая обратная связь гарантирует, что I L + I H = K₂ (константа), поддерживая стабильность напряжения и постоянную чувствительность.
В цепи генерации емкостного тока: ![]()
![]()
![]()
Замена более ранних соотношений: 
Общий выходной ток: ![]()
Таким образом, выходной сигнал 4–20 мА емкостного датчика дифференциального давления прямо пропорционален приложенному дифференциальному давлению.
Устройство также обеспечивает регулировку нуля , калибровку диапазона и защиту от обратной полярности , гарантируя стабильную и безопасную работу в промышленных системах измерения давления .
Датчики давления серии SH, производимые silverinstrumens.com, представляют собой широко используемые двухпроводные датчики давления 4–20 мА , предназначенные для искробезопасных и взрывозащищенных сред .
Основные характеристики

Рисунок 7: Соотношение между напряжением источника питания и сопротивлением нагрузки
При колебаниях напряжения питания на ±1 В изменение выходного тока остается ниже 0,005 %, что обеспечивает стабильность сигнала и высокую точность .
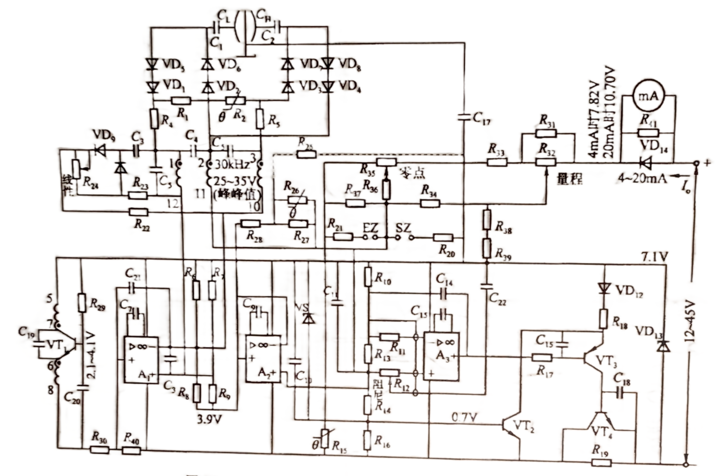
Общая схема датчика дифференциального давления SHGP/SHDP показана на рисунке 8.

Рисунок 8: Схема емкостного датчика давления серии SH/DP
Основные компоненты и функции:
Эти элементы обеспечивают точную и стабильную работу в различных промышленных условиях, что делает серию SHGP/SHDP одними из самых надежных емкостных датчиков дифференциального давления для управления технологическими процессами и контрольно-измерительными приборами во всем мире.
Емкостной датчик давления 33512018/12/07Емкостной датчик давления представляет собой сварную конструкцию из нержавеющей стали. Этот тип датчика давления должен определять давление или перепад давления через заливку масла в датчик.Просмотр
Датчики низкого давления2025/04/03Датчик низкого давления: 16-60 мбар.
Датчик уровня типа SHLT2017/04/12Датчик уровня фланцевого типа SHLT (интеллектуальный) может выполнять точное измерение уровня и плотности для всех видов контейнеров. Доступны фланец заподлицо и удлиненный фланец, 3 дюйма или 4 дюйма, фланец 1501b или 3001b, ...Просмотр
SHDP / GP DP / Датчик давления с выносными разделительными диафрагмами2017/04/12Датчик перепада давления / давления SHDP / GP с выносными разделительными диафрагмами обеспечивает надежный способ измерения, позволяющий избежать прямого контакта измеряемой среды с разделительной диафрагмой ...Просмотр
Диффузионный кремниевый датчик давления серии SH 3082017/04/26Общая информация о кремниевых диффузионных датчиках давления серии SH 308Диффузионные кремниевые датчики давления серии SH 308 выбирают импортные сертифицированные кремниевые компоненты давления и ...Просмотр
Керамический датчик давления2025/04/02Керамический емкостный датчик давления.